Токарно-фрезерный обрабатывающий станок LGNCL QT60L-630
Способы оплаты при заказе для физических лиц:
- наличные,
- карты любых банков.
После подтверждения оплаты выдается чек и договор.
Юридические лица оплачивают заказ безналичным расчетом по выставленному счету банковским переводом в течение трех суток. Платежные документы необходимо сохранить до получения заказа.
Альтернативные способы оплаты:
- Лизинг
На общую сумму заказа от 250 тыс. руб. возможна покупка в лизинг. Для первого взноса потребуется от 15% стоимости заказа. Пользоваться оборудованием можно сразу после внесения аванса - Кредит
Передаем в банки пакет документов для предоставления кредита. После принятия решения с вами связывается менеджер. - TRADE-IN
Меняем рабочие станки, изготовленные после 2005 года, на новые. Старые забираем на реализацию.
Гарантия на оборудование устанавливается производителями от 12 до 36 месяцев.
Варианты доставки:
- Самовывоз
Пн. – пт. С 9:00 до 17:00 по согласованию времени приезда с менеджером. - Доставка в регионы
Доставляем заказы во все регионы России любыми транспортными компаниями. Тарифы и сроки устанавливает перевозчик. - Под заказ
Если нужного вам оборудования нет на складе, мы закажем и привезем его по вашей заявке. Сроки доставки обговариваются отдельно.
Со складов заказ отгружается в течение трех суток после оплаты. Оборудование поставляется в полной комплектации со всеми документами.
Токарный станок с ЧПУ с наклонной станиной — это современное оборудование, предназначенное для высокопроизводительной обработки. Его ключевая особенность — наклонная станина, которая обеспечивает легкий сход стружки, повышенную жесткость и устойчивость, что позволяет вести тяжелое резание с максимальной точностью. Токарные станки нового поколения.
Преимущества
1. Высокая жесткость и виброустойчивость· Наклонная коробчатая станина имеет массивное сечение и ребра жесткости.
· Это позволяет поглощать сильные вибрации и вести тяжелое резание с большими глубинами и подачами без потери точности.
2. Исключительно эффективное удаление стружки · Это главное технологическое преимущество. Стружка под собственным весом падает вниз на конвейер.
· Результат: Стружка не скапливается на станине и направляющих, не мешает обработке, не вызывает перегрева и повышает стойкость инструмента.
3. Максимальная производительность · Сочетание высокой жесткости и легкого удаления стружки позволяет использовать максимальные режимы резания.
· Станок меньше простаивает на вспомогательных операциях (например, на очистке от стружки).
4. Повышенная точность и стабильность
· Жесткая конструкция минимизирует упругие деформации под нагрузкой.
· Защита направляющих от стружки и тепловых деформаций обеспечивает стабильность геометрии обработки на протяжении всего времени работы.
5. Удобство обслуживания и наблюдения
· Наклон станины обеспечивает оператору лучший обзор зоны резания.
· Упрощается доступ для смены инструмента, наладки и очистки рабочего пространства.
6. Идеальная платформа для автоматизации
· Свободное пространство под станиной легко позволяет интегрировать ленточный или шнековый конвейер для стружки.
· Такая конструкция оптимальна для работы с роботами-загрузчиками и в составе гибких производственных систем (ГПС).
7. Высокая надежность и долговечность
· Направляющие и жизненно важные узлы лучше защищены от абразивного воздействия стружки и попадания СОЖ, что увеличивает ресурс станка.
Область применения токарных станков с ЧПУ с наклонной станиной
Данные станки предназначены для задач, где важны высокая производительность, надежность и способность работать с большими нагрузками. Их основная сфера — серийное и крупносерийное производство.
· Производство: коленчатых и распределительных валов, колесных ступиц, фланцев карданов, шпинделей, деталей коробок передач.
· Почему подходит: Обработка этих деталей часто связана с большими объемами снятия стружки и требованием к стабильности качества в больших сериях.
2. Авиационная и аэрокосмическая промышленность
· Почему подходит: Высокая жесткость станка позволяет обрабатывать твердые материалы, а точность обеспечивает соблюдение строгих допусков.
3. Нефтегазовое и энергетическое машиностроение
· Почему подходит: Способность к тяжелому резанию необходима для обработки крупногабаритных заготовок из высокопрочных сталей.
4. Общее машиностроение и производство оборудования
· Почему подходит: Универсальность, высокая точность и возможность обработки как валов, так и дисковых деталей.
5. Производство деталей для железнодорожного транспорта
· Почему подходит: Требуется обработка крупных поковок и отливок с высокими требованиями к прочности и точности.
Токарный станок с ЧПУ с наклонной станиной — это станок для промышленного, серийного производства. Он не является оптимальным для единичных или мелкосерийных задач из-за своей высокой стоимости и ориентации на автоматизацию.
· Выпуск больших партий деталей с минимальным временем цикла.
· Обработка сложных и ответственных деталей, требующих высокой точности.
· Непрерывная работа в составе автоматизированных линий и ГПС.
· Работа с твердыми материалами и большими объемами снятия стружки.
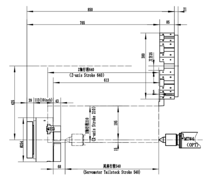
Схематическое изображение рабочей зоны

| Тип станка | Обрабатывающие центры |
| Максимальная длина обработки, мм | 570 |
| Максимальный диаметр вращения, мм | Φ600 |
| Максимальный диаметр обработки, мм | 380 |
| Максимальный диаметр стержня, мм | Φ75 |
| Мощность шпинделя, кВт | 15/18.5 |
| Отверстие шпинделя, мм | Φ86 |
| Скорость рабочей подачи по осям X/Z, м/мин | 30/30 |
| Стандартный размер патрона, дюйм | 10 |
| Тип инструментального магазина | Револьверная голова 12 позиций |
| Точность позиционирования, мм | ±0.003 |
| Фланец шпинделя | А2-8 |
| Ход по оси X/Z, м/мин | 190+10 / 630 |
| Длина, мм | 3000 |
| Ширина, мм | 1850 |
| Высота, мм | 1850 |
| Масса, кг | 4700 |

Дзен